欢迎访问 江阴市科达电气技术有限公司 官网!
销售热线电话:0510-86119218
产品展示
product

UP858 系列主变档位控制变送器

概述

      UP858  系列主变压器有载调压档位变送器为适应变电站实现电力调度自动化、无人值班化而对主变压器分接开关进行监控和操作的一种新型自动监控仪器。它将主变压器有载调压分接开关的升、降、停调压控制、调压计数、远方操作闭锁、自动判断分接开关转换状况、机械分接点档位位置自动转换成数字信号或模拟信号等多种功能集于一体,供远动装置或综合自动化装置遥讯、遥测、遥控、遥调,既可实现就地手动升降调压操作,又可实现远动遥控调压,并遥测档位位置。此种新型仪器体积小、重量轻、显示清晰,操作安装灵活方便。

      可根据不同用户的要求或不同型号的分接开关操作机构,变换 UP858 系列产品的输入量,即可以是原灯光盘或数码管的多路滑档触点信号,也可以是原自整角机的旋转位置改制的角度传感信号或不同阻值的电阻信号,输出量可以是经高度隔离转换后的无源触点一对一信号,也可以是 BCD 码信号,二进制编码信号或电压输出信号。特别是电压输出型,综合自动化装置的 RTU 只需将它作为一个遥测量来对待,仅需进行标度转换后显示相应的整数值即可。这种方式连接电缆最少,接口简单,电压分档识别余度大,输出转换稳定可靠。可与遵仪长征、吴江、上海华明开关厂、德国 MR 和瑞典 ABB 等多种型号的有载调压分接开关的操作机构进行电气连接应用,由于此种仪器小巧,多功能,不仅适用于变电站改造更新,而且在设计新变电站时可省去专用的调压控制屏。因此,UP858  系列主变压器有载调压档位变送器产品是当前有载调压、控制、显示、遥讯最为理想的更新换代产品。


产品命名及意义

主要的技术参数

1)额定工作电源:AC220V±10% 频率 50Hz 谐波含量小于 5%。(开关电源 AC/DC 85~265V 订货时须指定);

2)额定功耗:≤10W;

3)遥信方式:a)无源接点(24V 0.5A);b)0~5V(RL≥220Ω);c)4~20mA(RL≤500Ω);

4)遥测输入方式:外部只需提供无源接点即可,闭合为有效;内部为有源+12V 输出,公共端为电源地。

5)计数范围:0-999999;

6)档位显示:2 位 1.2″LED。

7)绝缘性能:变送器输入端子对输出端子、输入端子对外壳、输出端子对外壳绝缘电阻不小于  30MΩ。

8)电磁兼容:能符合 GB/T17626.4、GB/T17626.8 中Ⅳ级标准要求。

9)运输条件:能达到 GB/T2423.5、GB/T2423.10、GB/T2423.6  相关标准中严酷等级为Ⅱ级的要求。

10)环境条件:

a)环境温度:

工作环境温度:-10℃~+55℃;

贮存环境温度:-25℃~+70℃,在极限值下不施加激励量,装置不出现不可逆的变化,温度恢复后,装置应能正常工作。

b)相对湿度:最湿月的月平均最大相对湿度为 90%,同时该月的月平均最低温度为 25℃且表面无凝露。

c)大气压力:80~100KPa(相对海拔高度 2km 以下)。


与变电站综合自动化系统和无功补偿装置的配合

1)A/B/C/D/E 档位输入方式系统接线图

2)德国 MR 电阻式或电流式档位输入方式系统接线图

注:图中转换装置为需另购的UP 系列转换装置


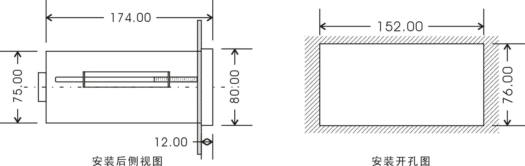
产品开孔与安装

1)控制屏上开 152×76mm  矩形孔,将产品从正面装入孔内,将固定支架从仪表后面两侧固定。

2)对于不同厂家、不同型号的有载开关,信号电缆的连接方式会有所不同,请对照以下相应附图或仪表尾座接线(如附图与仪表尾座接线图有不同之处,以仪表尾座接线图为标准)。

3)对于用自整角机等与之相类似的指示档位方式的机构,本公司将另行提供位置信号传感装置及其安装

附件,安装方法及接线调整方式详见附录。


COPYRIGHT © 江阴市科达电气技术有限公司 版权归本公司所有,未经授权,任何其他公司或个人均不允许来复制、抄袭!
Jiangyin Keda Electric Technology Co., Ltd. ALL RIGHT RESERVED.